BIC 100HB-0/35-(37)E
                Стоимость товара
            
            
                381863 руб.
            
        Описание товара
                        84033010, БИК 100НБ-0/35-(37)Э
Тип: Газовая горелка с подключением для керамической трубки
Размер горелки: 100
Использование: Горячий воздух/высокая температура печи.
Тип газа: Для природного газа
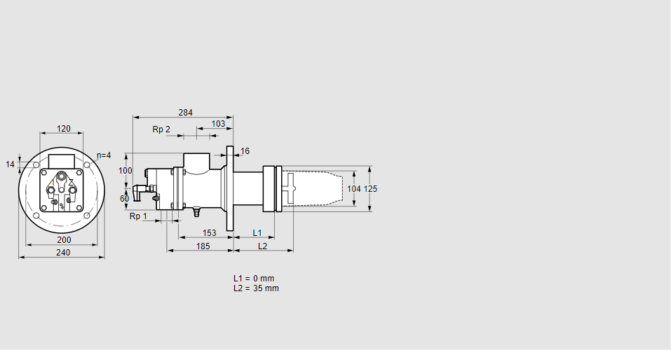
Длина стальной трубы от фланца печи: 0 мм.
Расстояние от фланца печи до переднего края головки горелки: 35 мм.
Идентификатор головки горелки: 37
Стадия строительства: Е
Код товара: 84162080
Страна происхождения: DE
84033010, BIC 100HB-0/35-(37)E
Type: Burner for gas, with connection for ceramic tube
Burner size: 100
Use: Hot air/high furnace temperature
Gas type: For natural gas
Length of steel tube as of furnace flange: 0 mm
Distance from furnace flange to front edge of burner head: 35 mm
Burner head identifier: 37
Construction stage: E
Commodity code: 84162080
Country of origin: DE
                    
                Технические характеристики
Производитель: Kromschröder
Артикул: 84033010
 
        