BIC 100HBL-0/35-(49)E

Стоимость товара
434742 руб.
Описание товара
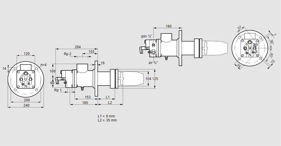
84033112, БИК 100ХБЛ-0/35-(49)Э Тип: Газовая горелка с подключением для керамической трубки Размер горелки: 100 Использование: Горячий воздух/высокая температура печи. Тип газа: Для природного газа Вариант: Факел Длина стальной трубы от фланца печи: 0 мм. Расстояние от фланца печи до переднего края головки горелки: 35 мм. Идентификатор головки горелки: 49 Стадия строительства: Е Код товара: 84162080 Страна происхождения: DE 84033112, BIC 100HBL-0/35-(49)E Type: Burner for gas, with connection for ceramic tube Burner size: 100 Use: Hot air/high furnace temperature Gas type: For natural gas Variant: Torch Length of steel tube as of furnace flange: 0 mm Distance from furnace flange to front edge of burner head: 35 mm Burner head identifier: 49 Construction stage: E Commodity code: 84162080 Country of origin: DE
Технические характеристики

Производитель: Kromschröder
Артикул: 84033112