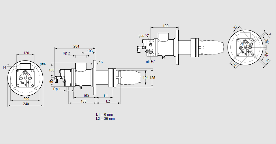
BIC 100HBL-0/35-(49A)E
                Стоимость товара
            
            
                469698 руб.
            
        Описание товара
                        84199028, БИК 100ХБЛ-0/35-(49А)Е
Тип: Газовая горелка с подключением для керамической трубки
Размер горелки: 100
Использование: Горячий воздух/высокая температура печи.
Тип газа: Для природного газа
Вариант: Факел
Длина стальной трубы от фланца печи: 0 мм.
Расстояние от фланца печи до переднего края головки горелки: 35 мм.
Идентификатор головки горелки: 49
Головка горелки: термостойкая
Стадия строительства: Е
Код товара: 84162080000
Страна происхождения: DE
84199028, BIC 100HBL-0/35-(49A)E
Type: Burner for gas, with connection for ceramic tube
Burner size: 100
Use: Hot air/high furnace temperature
Gas type: For natural gas
Variant: Torch
Length of steel tube as of furnace flange: 0 mm
Distance from furnace flange to front edge of burner head: 35 mm
Burner head identifier: 49
Burner head: Heat-resistant
Construction stage: E
Commodity code: 84162080000
Country of origin: DE
                    
                Технические характеристики
Производитель: Kromschröder
Артикул: 84199028
 
        