BIC 100HBL-400/435-(49)E
                Стоимость товара
            
            
                552740 руб.
            
        Описание товара
                        84033152, БИК 100ХБЛ-400/435-(49)Э
Тип: Газовая горелка с подключением для керамической трубки
Размер горелки: 100
Использование: Горячий воздух/высокая температура печи.
Тип газа: Для природного газа
Вариант: Факел
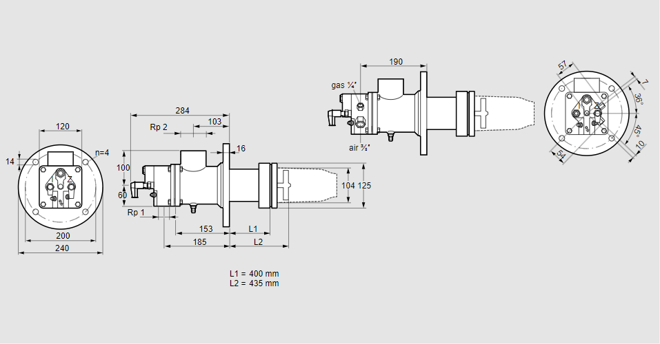
Длина стальной трубы от фланца печи: 400 мм.
Расстояние от фланца печи до переднего края головки горелки: 435 мм.
Идентификатор головки горелки: 49
Стадия строительства: Е
Код товара: 84162080
Страна происхождения: DE
84033152, BIC 100HBL-400/435-(49)E
Type: Burner for gas, with connection for ceramic tube
Burner size: 100
Use: Hot air/high furnace temperature
Gas type: For natural gas
Variant: Torch
Length of steel tube as of furnace flange: 400 mm
Distance from furnace flange to front edge of burner head: 435 mm
Burner head identifier: 49
Construction stage: E
Commodity code: 84162080
Country of origin: DE
                    
                Технические характеристики
Производитель: Kromschröder
Артикул: 84033152
 
        