BIC 100LB-0/35-(123)H
                Стоимость товара
            
            
                419440 руб.
            
        Описание товара
                        84033812, БИК 100ЛБ-0/35-(123)Х
Тип: Газовая горелка с подключением для керамической трубки
Размер горелки: 100
Применение: Для большого избытка воздуха и большого диапазона воспламенения.
Тип газа: Для природного газа
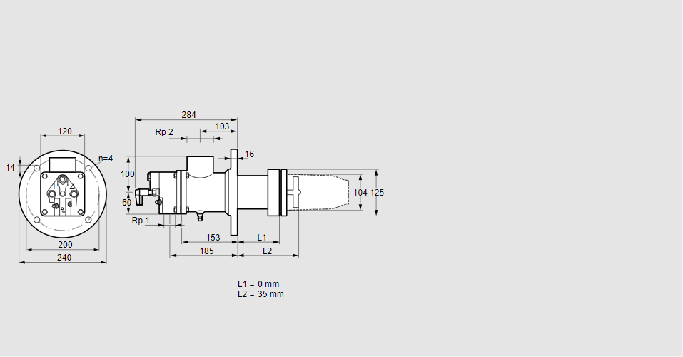
Длина стальной трубы от фланца печи: 0 мм.
Расстояние от фланца печи до переднего края головки горелки: 35 мм.
Идентификатор головки горелки: 123
Стадия строительства: H
Код товара: 84162080
Страна происхождения: DE
84033812, BIC 100LB-0/35-(123)H
Type: Burner for gas, with connection for ceramic tube
Burner size: 100
Use: For high excess air and a large ignition range
Gas type: For natural gas
Length of steel tube as of furnace flange: 0 mm
Distance from furnace flange to front edge of burner head: 35 mm
Burner head identifier: 123
Construction stage: H
Commodity code: 84162080
Country of origin: DE
                    
                Технические характеристики
Производитель: Kromschröder
Артикул: 84033812
 
        