BIC 100MG-0/35-(124)E
                Стоимость товара
            
            
                491630 руб.
            
        Описание товара
                        84199318, БИК 100МГ-0/35-(124)Э
Тип: Газовая горелка с подключением для керамической трубки
Размер горелки: 100
Использование: Для работы Menox с низким уровнем выбросов NOx.
Тип газа: Для пропана, пропана/бутана, бутана
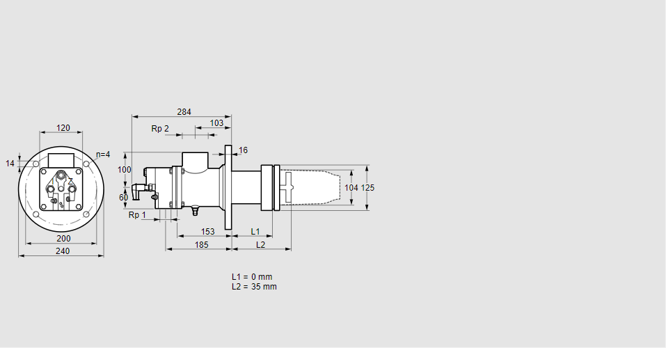
Длина стальной трубы от фланца печи: 0 мм.
Расстояние от фланца печи до переднего края головки горелки: 35 мм.
Идентификатор головки горелки: 124
Стадия строительства: Е
Код товара: 84162080
Страна происхождения: DE
84199318, BIC 100MG-0/35-(124)E
Type: Burner for gas, with connection for ceramic tube
Burner size: 100
Use: For menox low NOx operation
Gas type: For propane, propane/butane, butane
Length of steel tube as of furnace flange: 0 mm
Distance from furnace flange to front edge of burner head: 35 mm
Burner head identifier: 124
Construction stage: E
Commodity code: 84162080
Country of origin: DE
                    
                Технические характеристики
Производитель: Kromschröder
Артикул: 84199318
 
        