BIC 100RB-150/185-(109)FR
Описание товара
                        84033510, БИК 100РБ-150/185-(109)ФР
Тип: Газовая горелка с подключением для керамической трубки
Размер горелки: 100
Использование: Холодный воздух
Тип газа: Для природного газа
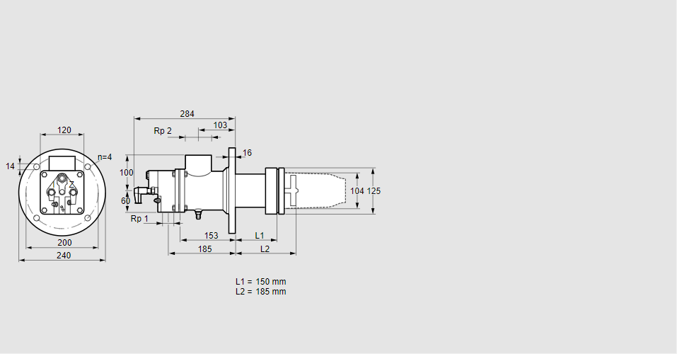
Длина стальной трубы от фланца печи: 150 мм.
Расстояние от фланца печи до переднего края головки горелки: 185 мм.
Идентификатор головки горелки: 109
Стадия строительства: F
Специальное использование: Для кольцевого корпуса горелки с избытком воздуха.
Код товара: 84162080
Страна происхождения: DE
84033510, BIC 100RB-150/185-(109)FR
Type: Burner for gas, with connection for ceramic tube
Burner size: 100
Use: Cold air
Gas type: For natural gas
Length of steel tube as of furnace flange: 150 mm
Distance from furnace flange to front edge of burner head: 185 mm
Burner head identifier: 109
Construction stage: F
Special use: For annular excess air burner housing
Commodity code: 84162080
Country of origin: DE
                    
                Технические характеристики
Производитель: Kromschröder
Артикул: 84033510
 
        