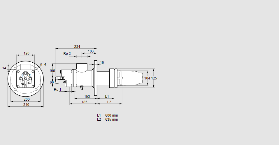
BIC 100RB-600/635-(109)E

Стоимость товара
546753 руб.
Описание товара
84033279, БИК 100РБ-600/635-(109)Э Тип: Газовая горелка с подключением для керамической трубки Размер горелки: 100 Использование: Холодный воздух Тип газа: Для природного газа Длина стальной трубы от фланца печи: 600 мм. Расстояние от фланца печи до переднего края головки горелки: 635 мм. Идентификатор головки горелки: 109 Стадия строительства: Е Код товара: 84162080 Страна происхождения: DE 84033279, BIC 100RB-600/635-(109)E Type: Burner for gas, with connection for ceramic tube Burner size: 100 Use: Cold air Gas type: For natural gas Length of steel tube as of furnace flange: 600 mm Distance from furnace flange to front edge of burner head: 635 mm Burner head identifier: 109 Construction stage: E Commodity code: 84162080 Country of origin: DE
Технические характеристики

Производитель: Kromschröder
Артикул: 84033279