BIC 100RB-700/735-(109)E

Описание товара
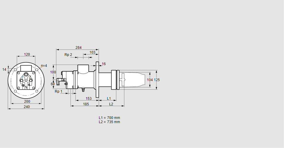
84033289, БИК 100РБ-700/735-(109)Э Тип: Газовая горелка с подключением для керамической трубки Размер горелки: 100 Использование: Холодный воздух Тип газа: Для природного газа Длина стальной трубы от фланца печи: 700 мм. Расстояние от фланца печи до переднего края головки горелки: 735 мм. Идентификатор головки горелки: 109 Стадия строительства: Е Код товара: 84162080 Страна происхождения: DE 84033289, BIC 100RB-700/735-(109)E Type: Burner for gas, with connection for ceramic tube Burner size: 100 Use: Cold air Gas type: For natural gas Length of steel tube as of furnace flange: 700 mm Distance from furnace flange to front edge of burner head: 735 mm Burner head identifier: 109 Construction stage: E Commodity code: 84162080 Country of origin: DE
Технические характеристики

Производитель: Kromschröder
Артикул: 84033289