BIC 100RD-150/185-(39A)E
Описание товара
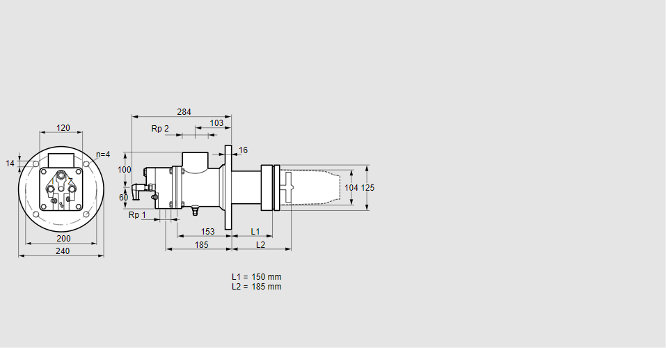
                        84099666, БИК 100РД-150/185-(39А)Е
Тип: Газовая горелка с подключением для керамической трубки
Размер горелки: 100
Использование: Холодный воздух
Тип газа: Для коксового газа, городского газа
Длина стальной трубы от фланца печи: 150 мм.
Расстояние от фланца печи до переднего края головки горелки: 185 мм.
Идентификатор головки горелки: 39
Головка горелки: термостойкая
Стадия строительства: Е
Код товара: 84162080
Страна происхождения: DE
84099666, BIC 100RD-150/185-(39A)E
Type: Burner for gas, with connection for ceramic tube
Burner size: 100
Use: Cold air
Gas type: For coke oven gas, town gas
Length of steel tube as of furnace flange: 150 mm
Distance from furnace flange to front edge of burner head: 185 mm
Burner head identifier: 39
Burner head: Heat-resistant
Construction stage: E
Commodity code: 84162080
Country of origin: DE
                    
                Технические характеристики
Производитель: Kromschröder
Артикул: 84099666
 
        