BIC 100RFR-500/535-(107)E

Стоимость товара
519600 руб.
Описание товара
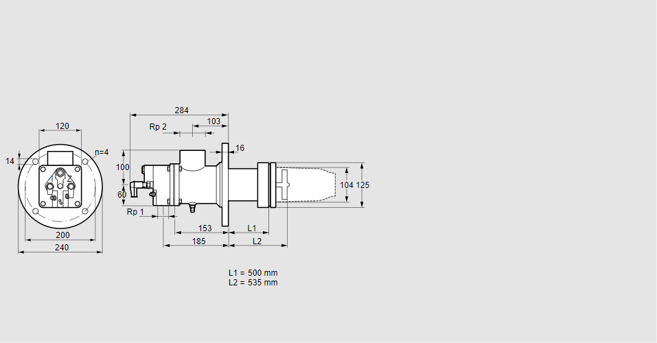
84099982, БИК 100РФР-500/535-(107)Э Тип: Газовая горелка с подключением для керамической трубки Размер горелки: 100 Использование: Холодный воздух Тип газа: Для метана, полученного биологическим путем Вариант: уменьшенная емкость (BIC: выберите керамическую трубку согласно информации в брошюре) Длина стальной трубы от фланца печи: 500 мм. Расстояние от фланца печи до переднего края головки горелки: 535 мм. Идентификатор головки горелки: 107 Стадия строительства: Е Код товара: 84162080 Страна происхождения: DE 84099982, BIC 100RFR-500/535-(107)E Type: Burner for gas, with connection for ceramic tube Burner size: 100 Use: Cold air Gas type: For biologically produced methane Variant: Reduced capacity (BIC: select ceramic tube according to brochure information) Length of steel tube as of furnace flange: 500 mm Distance from furnace flange to front edge of burner head: 535 mm Burner head identifier: 107 Construction stage: E Commodity code: 84162080 Country of origin: DE
Технические характеристики

Производитель: Kromschröder
Артикул: 84099982