BIC 100RML-0/35-(112)E
                Стоимость товара
            
            
                435276 руб.
            
        Описание товара
                        84033312, БИК 100РМЛ-0/35-(112)Э
Тип: Газовая горелка с подключением для керамической трубки
Размер горелки: 100
Использование: Холодный воздух
Тип газа: Для пропана, пропана/бутана, бутана (со смесителем)
Вариант: Факел
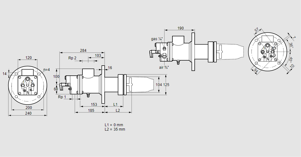
Длина стальной трубы от фланца печи: 0 мм.
Расстояние от фланца печи до переднего края головки горелки: 35 мм.
Идентификатор головки горелки: 112
Стадия строительства: Е
Код товара: 84162080
Страна происхождения: DE
84033312, BIC 100RML-0/35-(112)E
Type: Burner for gas, with connection for ceramic tube
Burner size: 100
Use: Cold air
Gas type: For propane, propane/butane, butane (with mixer)
Variant: Torch
Length of steel tube as of furnace flange: 0 mm
Distance from furnace flange to front edge of burner head: 35 mm
Burner head identifier: 112
Construction stage: E
Commodity code: 84162080
Country of origin: DE
                    
                Технические характеристики
Производитель: Kromschröder
Артикул: 84033312
 
        