BIC 125HBL-100/135-(9)E
                Стоимость товара
            
            
                683515 руб.
            
        Описание товара
                        84034021, БИК 125ХБЛ-100/135-(9)Э
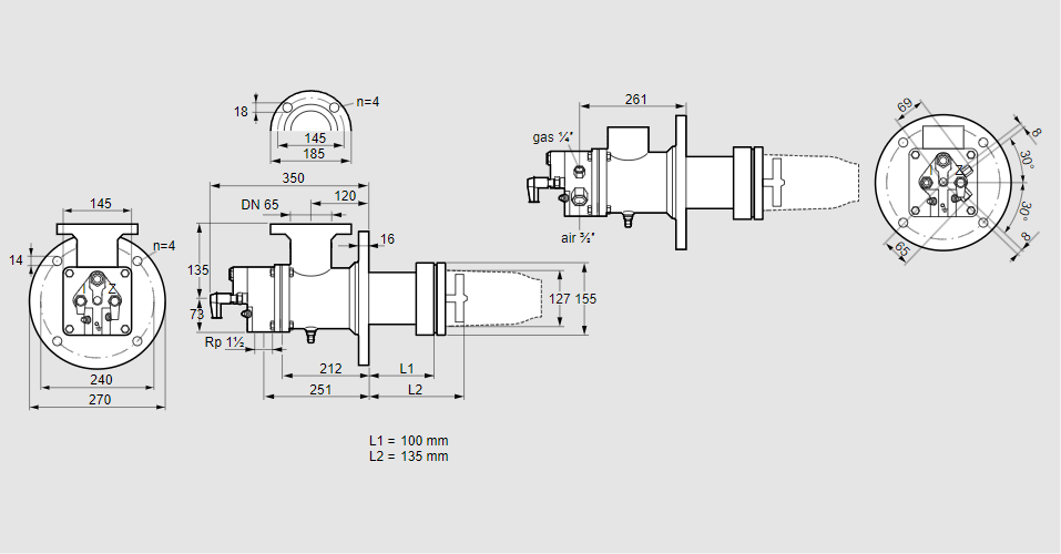
Тип: Газовая горелка с подключением для керамической трубки
Размер горелки: 125
Использование: Горячий воздух/высокая температура печи.
Тип газа: Для природного газа
Вариант: Факел
Длина стальной трубы от фланца печи: 100 мм.
Расстояние от фланца печи до переднего края головки горелки: 135 мм.
Идентификатор головки горелки: 9
Стадия строительства: Е
Код товара: 84162080
Страна происхождения: DE
84034021, BIC 125HBL-100/135-(9)E
Type: Burner for gas, with connection for ceramic tube
Burner size: 125
Use: Hot air/high furnace temperature
Gas type: For natural gas
Variant: Torch
Length of steel tube as of furnace flange: 100 mm
Distance from furnace flange to front edge of burner head: 135 mm
Burner head identifier: 9
Construction stage: E
Commodity code: 84162080
Country of origin: DE
                    
                Технические характеристики
Производитель: Kromschröder
Артикул: 84034021
 
        