BIC 140HB-350/385-(26)E
                Стоимость товара
            
            
                887069 руб.
            
        Описание товара
                        84099811, БИК 140ХБ-350/385-(26)Э
Тип: Газовая горелка с подключением для керамической трубки
Размер горелки: 140
Использование: Горячий воздух/высокая температура печи.
Тип газа: Для природного газа
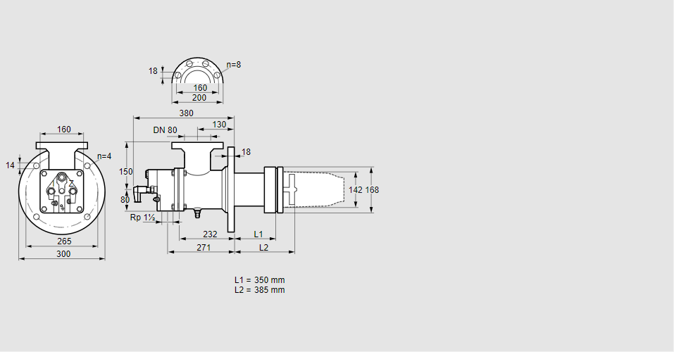
Длина стальной трубы от фланца печи: 350 мм.
Расстояние от фланца печи до переднего края головки горелки: 385 мм.
Идентификатор головки горелки: 26
Стадия строительства: Е
Код товара: 84162080
Страна происхождения: DE
84099811, BIC 140HB-350/385-(26)E
Type: Burner for gas, with connection for ceramic tube
Burner size: 140
Use: Hot air/high furnace temperature
Gas type: For natural gas
Length of steel tube as of furnace flange: 350 mm
Distance from furnace flange to front edge of burner head: 385 mm
Burner head identifier: 26
Construction stage: E
Commodity code: 84162080
Country of origin: DE
                    
                Технические характеристики
Производитель: Kromschröder
Артикул: 84099811
 
        