BIC 140HD-200/235-(65)E

Стоимость товара
827497 руб.
Описание товара
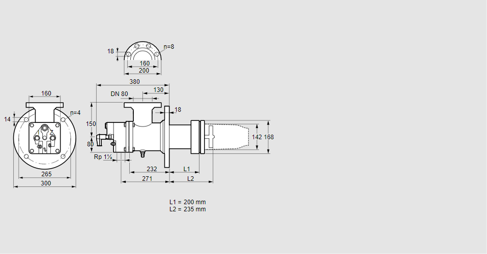
84199034, БИК 140HD-200/235-(65)Е Тип: Газовая горелка с подключением для керамической трубки Размер горелки: 140 Использование: Горячий воздух/высокая температура печи. Тип газа: Для коксового газа, городского газа Длина стальной трубы от фланца печи: 200 мм. Расстояние от фланца печи до переднего края головки горелки: 235 мм. Идентификатор головки горелки: 65 Стадия строительства: Е Код товара: 84162080 Страна происхождения: DE 84199034, BIC 140HD-200/235-(65)E Type: Burner for gas, with connection for ceramic tube Burner size: 140 Use: Hot air/high furnace temperature Gas type: For coke oven gas, town gas Length of steel tube as of furnace flange: 200 mm Distance from furnace flange to front edge of burner head: 235 mm Burner head identifier: 65 Construction stage: E Commodity code: 84162080 Country of origin: DE
Технические характеристики

Производитель: Kromschröder
Артикул: 84199034