BIC 140HLR-0/35-(76)D

Стоимость товара
760224 руб.
Описание товара
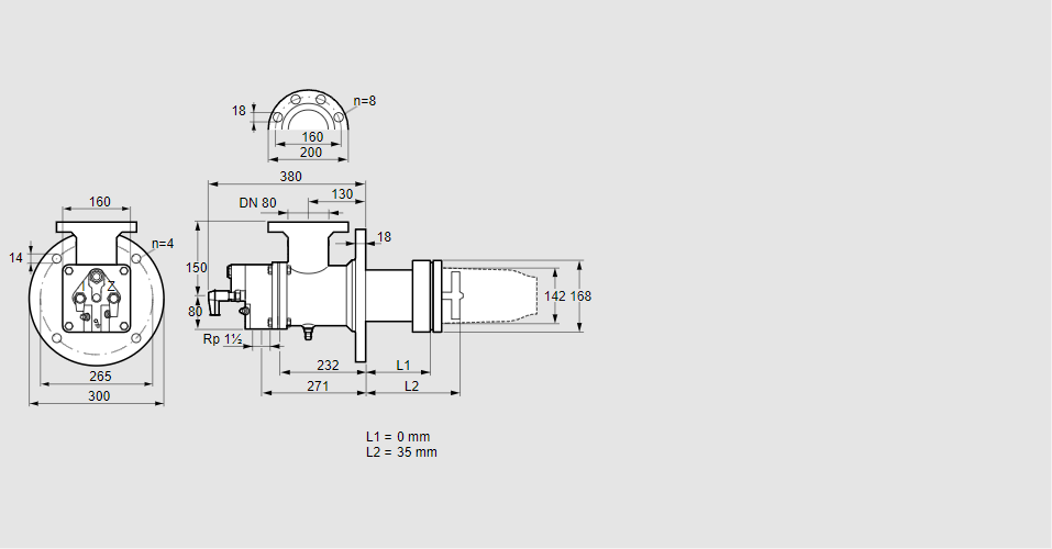
84035210, БИК 140HLR-0/35-(76)Д Тип: Газовая горелка с подключением для керамической трубки Размер горелки: 140 Использование: Горячий воздух/высокая температура печи. Тип газа: Для газа с низкой теплотворной способностью Вариант: уменьшенная емкость (BIC: выберите керамическую трубку согласно информации в брошюре) Длина стальной трубы от фланца печи: 0 мм. Расстояние от фланца печи до переднего края головки горелки: 35 мм. Идентификатор головки горелки: 76 Стадия строительства: D Код товара: 84162080 Страна происхождения: DE 84035210, BIC 140HLR-0/35-(76)D Type: Burner for gas, with connection for ceramic tube Burner size: 140 Use: Hot air/high furnace temperature Gas type: For low calorific value gas Variant: Reduced capacity (BIC: select ceramic tube according to brochure information) Length of steel tube as of furnace flange: 0 mm Distance from furnace flange to front edge of burner head: 35 mm Burner head identifier: 76 Construction stage: D Commodity code: 84162080 Country of origin: DE
Технические характеристики

Производитель: Kromschröder
Артикул: 84035210