BIC 140MB-100/135-(75)E
Описание товара
                        84035420, БИК 140МБ-100/135-(75)Э
Тип: Газовая горелка с подключением для керамической трубки
Размер горелки: 140
Использование: Для работы Menox с низким уровнем выбросов NOx.
Тип газа: Для природного газа
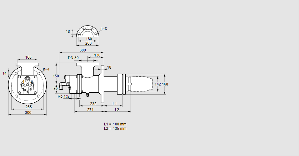
Длина стальной трубы от фланца печи: 100 мм.
Расстояние от фланца печи до переднего края головки горелки: 135 мм.
Идентификатор головки горелки: 75
Стадия строительства: Е
Код товара: 84162080
Страна происхождения: DE
84035420, BIC 140MB-100/135-(75)E
Type: Burner for gas, with connection for ceramic tube
Burner size: 140
Use: For menox low NOx operation
Gas type: For natural gas
Length of steel tube as of furnace flange: 100 mm
Distance from furnace flange to front edge of burner head: 135 mm
Burner head identifier: 75
Construction stage: E
Commodity code: 84162080
Country of origin: DE
                    
                Технические характеристики
Производитель: Kromschröder
Артикул: 84035420
 
        