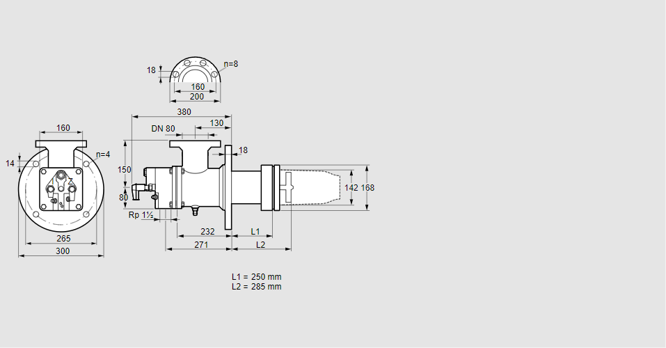
BIC 140RB-250/285-(47)ER

Стоимость товара
939566 руб.
Описание товара
84099488, БИК 140РБ-250/285-(47)ЭР Тип: Газовая горелка с подключением для керамической трубки Размер горелки: 140 Использование: Холодный воздух Тип газа: Для природного газа Длина стальной трубы от фланца печи: 250 мм. Расстояние от фланца печи до переднего края головки горелки: 285 мм. Идентификатор головки горелки: 47 Стадия строительства: Е Специальное использование: Для кольцевого корпуса горелки с избытком воздуха. Код товара: 84162080 Страна происхождения: DE 84099488, BIC 140RB-250/285-(47)ER Type: Burner for gas, with connection for ceramic tube Burner size: 140 Use: Cold air Gas type: For natural gas Length of steel tube as of furnace flange: 250 mm Distance from furnace flange to front edge of burner head: 285 mm Burner head identifier: 47 Construction stage: E Special use: For annular excess air burner housing Commodity code: 84162080 Country of origin: DE
Технические характеристики

Производитель: Kromschröder
Артикул: 84099488