BIC 140RB-50/85-(47)E

Стоимость товара
796383 руб.
Описание товара
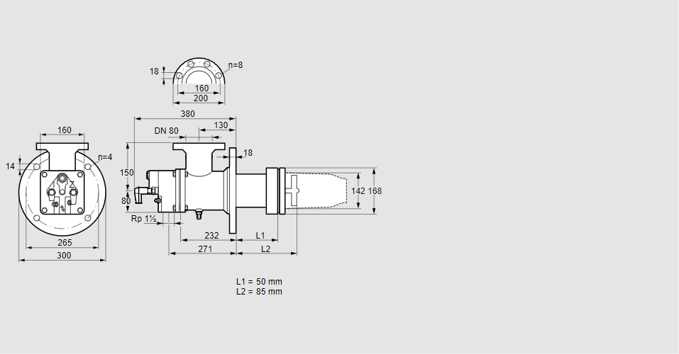
84099760, БИК 140РБ-50/85-(47)Э Тип: Газовая горелка с подключением для керамической трубки Размер горелки: 140 Использование: Холодный воздух Тип газа: Для природного газа Длина стальной трубы от фланца печи: 50 мм. Расстояние от фланца печи до переднего края головки горелки: 85 мм. Идентификатор головки горелки: 47 Стадия строительства: Е Код товара: 84162080 Страна происхождения: DE 84099760, BIC 140RB-50/85-(47)E Type: Burner for gas, with connection for ceramic tube Burner size: 140 Use: Cold air Gas type: For natural gas Length of steel tube as of furnace flange: 50 mm Distance from furnace flange to front edge of burner head: 85 mm Burner head identifier: 47 Construction stage: E Commodity code: 84162080 Country of origin: DE
Технические характеристики

Производитель: Kromschröder
Артикул: 84099760