BIC 140RBL-300/335-(54)E
Описание товара
                        84035042, БИК 140РБЛ-300/335-(54)Э
Тип: Газовая горелка с подключением для керамической трубки
Размер горелки: 140
Использование: Холодный воздух
Тип газа: Для природного газа
Вариант: Факел
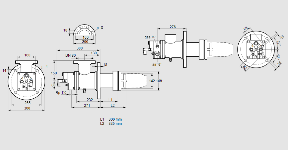
Длина стальной трубы от фланца печи: 300 мм.
Расстояние от фланца печи до переднего края головки горелки: 335 мм.
Идентификатор головки горелки: 54
Стадия строительства: Е
Код товара: 84162080
Страна происхождения: DE
84035042, BIC 140RBL-300/335-(54)E
Type: Burner for gas, with connection for ceramic tube
Burner size: 140
Use: Cold air
Gas type: For natural gas
Variant: Torch
Length of steel tube as of furnace flange: 300 mm
Distance from furnace flange to front edge of burner head: 335 mm
Burner head identifier: 54
Construction stage: E
Commodity code: 84162080
Country of origin: DE
                    
                Технические характеристики
Производитель: Kromschröder
Артикул: 84035042
 
        