BIC 65HB-700/735-(34)E

Стоимость товара
461142 руб.
Описание товара
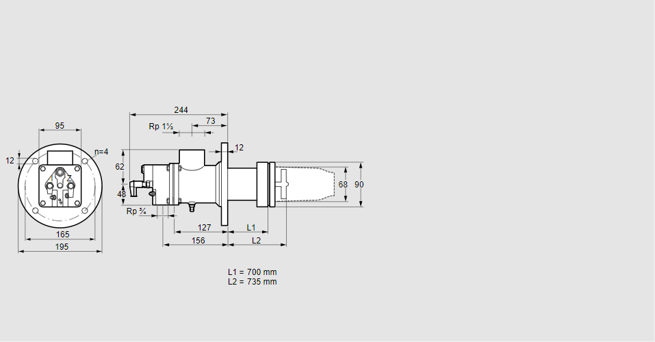
84031083, БИК 65ХБ-700/735-(34)Э Тип: Газовая горелка с подключением для керамической трубки Размер горелки: 65 Использование: Горячий воздух/высокая температура печи. Тип газа: Для природного газа Длина стальной трубы от фланца печи: 700 мм. Расстояние от фланца печи до переднего края головки горелки: 735 мм. Идентификатор головки горелки: 34 Стадия строительства: Е Код товара: 84162080 Страна происхождения: DE 84031083, BIC 65HB-700/735-(34)E Type: Burner for gas, with connection for ceramic tube Burner size: 65 Use: Hot air/high furnace temperature Gas type: For natural gas Length of steel tube as of furnace flange: 700 mm Distance from furnace flange to front edge of burner head: 735 mm Burner head identifier: 34 Construction stage: E Commodity code: 84162080 Country of origin: DE
Технические характеристики

Производитель: Kromschröder
Артикул: 84031083