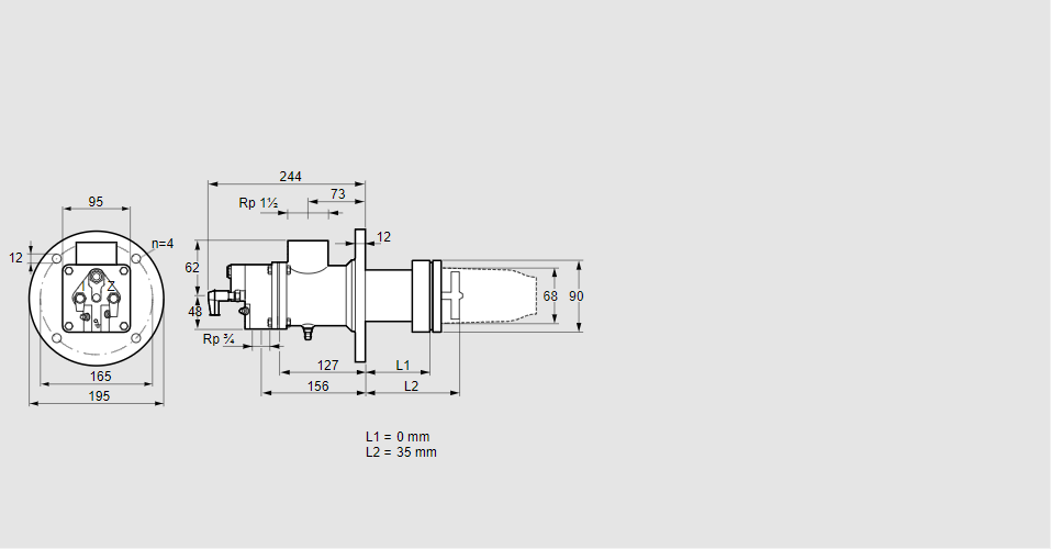
BIC 65RB-0/35-(37A)E

Стоимость товара
310130 руб.
Описание товара
84199044, БИК 65РБ-0/35-(37А)Е Тип: Газовая горелка с подключением для керамической трубки Размер горелки: 65 Использование: Холодный воздух Тип газа: Для природного газа Длина стальной трубы от фланца печи: 0 мм. Расстояние от фланца печи до переднего края головки горелки: 35 мм. Идентификатор головки горелки: 37 Головка горелки: термостойкая Стадия строительства: Е Код товара: 84162080 Страна происхождения: DE 84199044, BIC 65RB-0/35-(37A)E Type: Burner for gas, with connection for ceramic tube Burner size: 65 Use: Cold air Gas type: For natural gas Length of steel tube as of furnace flange: 0 mm Distance from furnace flange to front edge of burner head: 35 mm Burner head identifier: 37 Burner head: Heat-resistant Construction stage: E Commodity code: 84162080 Country of origin: DE
Технические характеристики

Производитель: Kromschröder
Артикул: 84199044