BIC 80HBL-100/135-(34)F

Описание товара
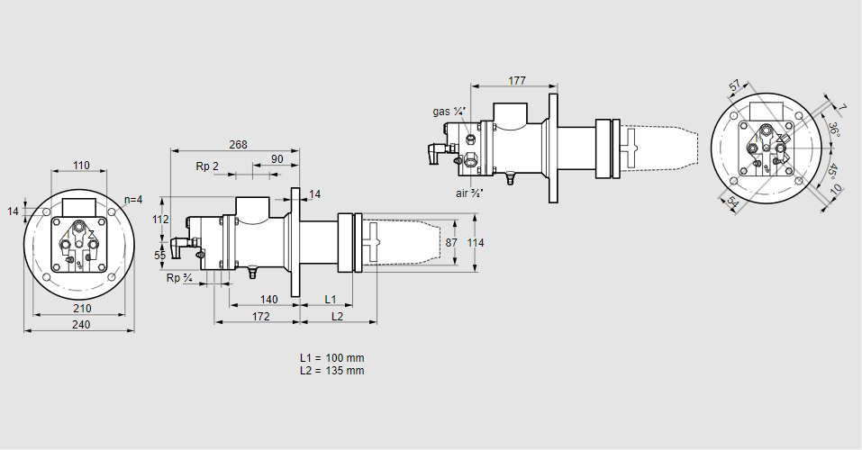
84032123, БИК 80ХБЛ-100/135-(34)Ф Тип: Газовая горелка с подключением для керамической трубки Размер горелки: 80 Использование: Горячий воздух/высокая температура печи. Тип газа: Для природного газа Вариант: Факел Длина стальной трубы от фланца печи: 100 мм. Расстояние от фланца печи до переднего края головки горелки: 135 мм. Идентификатор головки горелки: 34 Стадия строительства: F Код товара: 84162080000 Страна происхождения: DE 84032123, BIC 80HBL-100/135-(34)F Type: Burner for gas, with connection for ceramic tube Burner size: 80 Use: Hot air/high furnace temperature Gas type: For natural gas Variant: Torch Length of steel tube as of furnace flange: 100 mm Distance from furnace flange to front edge of burner head: 135 mm Burner head identifier: 34 Construction stage: F Commodity code: 84162080000 Country of origin: DE
Технические характеристики

Производитель: Kromschröder
Артикул: 84032123