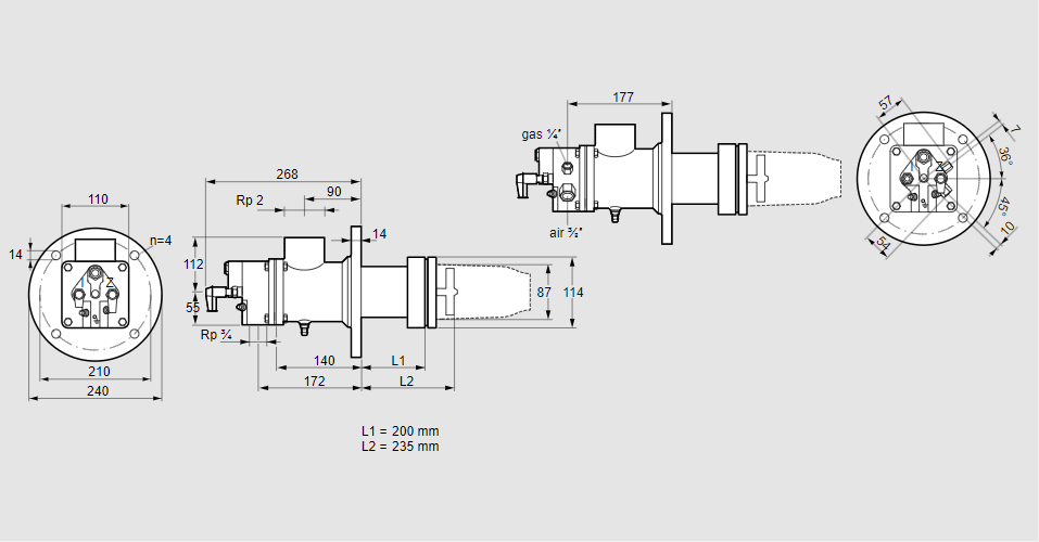
BIC 80HBL-200/235-(34)F

Стоимость товара
443552 руб.
Описание товара
84032133, БИК 80ХБЛ-200/235-(34)Ф Тип: Газовая горелка с подключением для керамической трубки Размер горелки: 80 Использование: Горячий воздух/высокая температура печи. Тип газа: Для природного газа Вариант: Факел Длина стальной трубы от фланца печи: 200 мм. Расстояние от фланца печи до переднего края головки горелки: 235 мм. Идентификатор головки горелки: 34 Стадия строительства: F Код товара: 84162080 Страна происхождения: DE 84032133, BIC 80HBL-200/235-(34)F Type: Burner for gas, with connection for ceramic tube Burner size: 80 Use: Hot air/high furnace temperature Gas type: For natural gas Variant: Torch Length of steel tube as of furnace flange: 200 mm Distance from furnace flange to front edge of burner head: 235 mm Burner head identifier: 34 Construction stage: F Commodity code: 84162080 Country of origin: DE
Технические характеристики

Производитель: Kromschröder
Артикул: 84032133