BIC 80HM-50/85-(35)F

Стоимость товара
364049 руб.
Описание товара
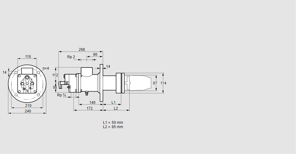
84032116, БИК 80ХМ-50/85-(35)Ф Тип: Газовая горелка с подключением для керамической трубки Размер горелки: 80 Использование: Горячий воздух/высокая температура печи. Тип газа: Для пропана, пропана/бутана, бутана (со смесителем) Длина стальной трубы от фланца печи: 50 мм. Расстояние от фланца печи до переднего края головки горелки: 85 мм. Идентификатор головки горелки: 35 Стадия строительства: F Код товара: 84162080 Страна происхождения: DE 84032116, BIC 80HM-50/85-(35)F Type: Burner for gas, with connection for ceramic tube Burner size: 80 Use: Hot air/high furnace temperature Gas type: For propane, propane/butane, butane (with mixer) Length of steel tube as of furnace flange: 50 mm Distance from furnace flange to front edge of burner head: 85 mm Burner head identifier: 35 Construction stage: F Commodity code: 84162080 Country of origin: DE
Технические характеристики

Производитель: Kromschröder
Артикул: 84032116