ECOMAX 2C681-SB/R-(31)B-AK
                Стоимость товара
            
            
                852422 руб.
            
        Описание товара
                        21803121, ECOMAX 2C681-SB/R-(31)Б-АК
Тип: Саморекуперативная газовая горелка.
Для обогрева печных систем
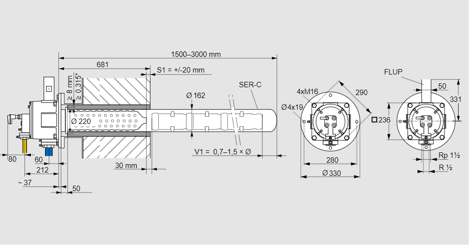
Размер горелок: 2, номинальная мощность: 60 кВт.
Рекуператор: С керамическим трубчатым рекуператором из SiSiC.
Длина рекуператора: 681 мм
Использование: При поэтапном сжигании.
Тип газа: Для природного газа
Тип отопления: Для лучистого трубчатого отопления без эдуктора.
Идентификатор головки горелки: (31)
Стадия строительства: Б
Электрод специальной конструкции: Электрод из Kanthal APM.
Охлаждающий воздух специальной конструкции: дополнительное подключение охлаждающего воздуха для более эффективного охлаждения печи.
Код товара: 84162080
Страна происхождения: DE
21803121, ECOMAX 2C681-SB/R-(31)B-AK
Type: Self recuperative burner for gas
For heating of furnace systems
Burner size: 2, rated capacity: 60 kW
Recuperator: With ceramic burled tube recuperator made of SiSiC
Recuperator length: 681 mm
Use: With staged combustion
Gas type: For natural gas
Type of heating: For radiant tube heating without eductor
Burner head identifier: (31)
Construction stage: B
Special design electrode: Electrode made of Kanthal APM
Special design cooling air: Additional cooling air connection for increased furnace cooling
Commodity code: 84162080
Country of origin: DE
                    
                Технические характеристики
Производитель: Kromschröder
Артикул: 21803121
 
        