ECOMAX 5M545-SB/D-(31)B-A

Стоимость товара
1931934 руб.
Описание товара
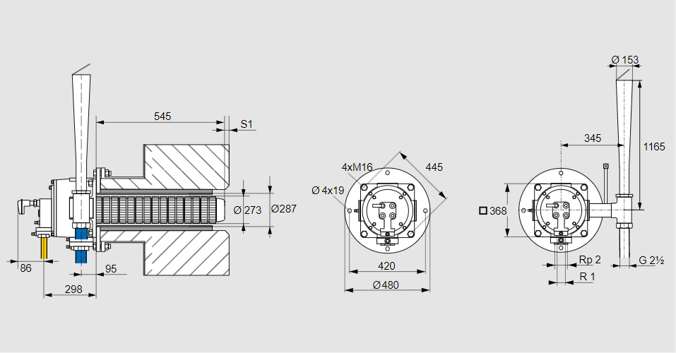
21804049, ЭКОМАКС 5М545-СБ/Д-(31)Б-А Тип: Саморекуперативная газовая горелка. Для обогрева печных систем Размер горелок: 5, номинальная мощность: 250 кВт. Рекуператор: С рекуператором из литой стальной ребристой трубы. Длина рекуператора: 545 мм Использование: При поэтапном сжигании. Тип газа: Для природного газа Тип нагрева: Для прямого нагрева с эдуктором. Идентификатор головки горелки: (31) Стадия строительства: Б Электрод специальной конструкции: Электрод из Kanthal APM. Код товара: 84162080000 Страна происхождения: DE 21804049, ECOMAX 5M545-SB/D-(31)B-A Type: Self recuperative burner for gas For heating of furnace systems Burner size: 5, rated capacity: 250 kW Recuperator: With cast steel ribbed tube recuperator Recuperator length: 545 mm Use: With staged combustion Gas type: For natural gas Type of heating: For direct heating with eductor Burner head identifier: (31) Construction stage: B Special design electrode: Electrode made of Kanthal APM Commodity code: 84162080000 Country of origin: DE
Технические характеристики

Производитель: Kromschröder
Артикул: 21804049