ECOMAX 5M545-SB/R-(31)B-

Стоимость товара
1970479 руб.
Описание товара
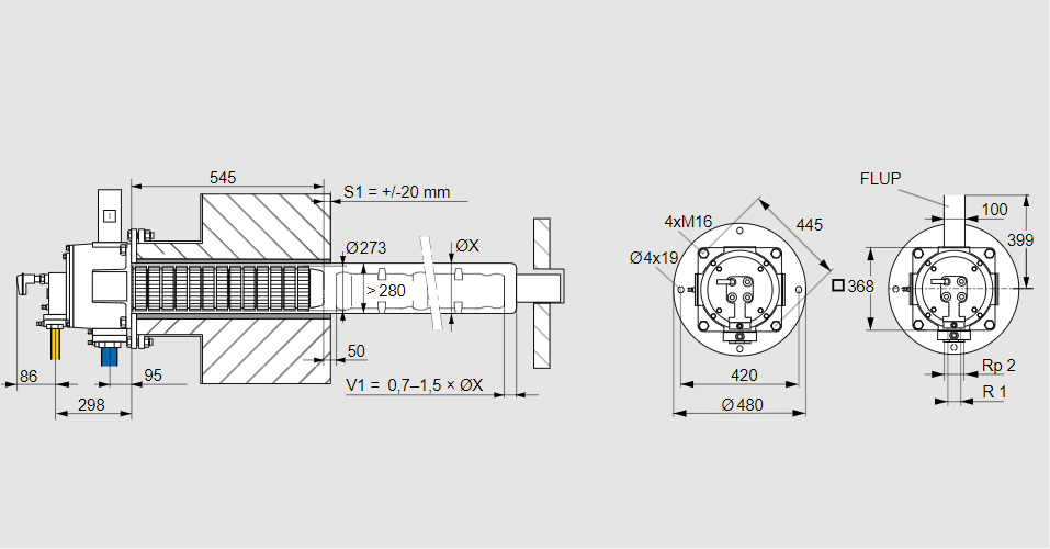
21803435, ЭКОМАКС 5М545-СБ/Р-(31)Б- Тип: Саморекуперативная газовая горелка. Для обогрева печных систем Размер горелок: 5, номинальная мощность: 250 кВт. Рекуператор: С рекуператором из литой стальной ребристой трубы. Длина рекуператора: 545 мм Использование: При поэтапном сжигании. Тип газа: Для природного газа Тип отопления: Для лучистого трубчатого отопления без эдуктора. Идентификатор головки горелки: (31) Стадия строительства: Б Код товара: 84162080 Страна происхождения: DE 21803435, ECOMAX 5M545-SB/R-(31)B- Type: Self recuperative burner for gas For heating of furnace systems Burner size: 5, rated capacity: 250 kW Recuperator: With cast steel ribbed tube recuperator Recuperator length: 545 mm Use: With staged combustion Gas type: For natural gas Type of heating: For radiant tube heating without eductor Burner head identifier: (31) Construction stage: B Commodity code: 84162080 Country of origin: DE
Технические характеристики

Производитель: Kromschröder
Артикул: 21803435