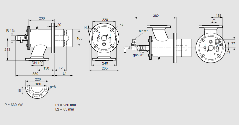
ZIO 165RML-250/85-(37)DB

Стоимость товара
1096647 руб.
Описание товара
84099504, ЗИО 165РМЛ-250/85-(37)ДБ Тип: Горелка газовая Размер горелки: 165 Использование: Холодный воздух Тип газа: Для пропана, пропана/бутана, бутана (со смесителем) Вариант: Факел Длина стальной трубы от фланца печи: 250 мм. Расстояние от фланца печи до переднего края головки горелки: 85 мм. Идентификатор головки горелки: 37 Стадия строительства: D Специальное использование: с отверстиями для продувки воздуха. Код товара: 84162080 Страна происхождения: DE 84099504, ZIO 165RML-250/85-(37)DB Type: Burner for gas Burner size: 165 Use: Cold air Gas type: For propane, propane/butane, butane (with mixer) Variant: Torch Length of steel tube as of furnace flange: 250 mm Distance from furnace flange to front edge of burner head: 85 mm Burner head identifier: 37 Construction stage: D Special use: With purging air bore holes Commodity code: 84162080 Country of origin: DE
Технические характеристики

Производитель: Kromschröder
Артикул: 84099504