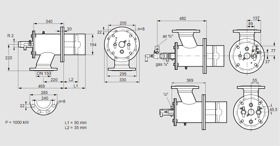
ZIO 200KBL-50/35-(38E)D

Стоимость товара
1711772 руб.
Описание товара
84199215, ЗИО 200КБЛ-50/35-(38Э)Д Тип: Горелка газовая Размер горелки: 200 Использование: Плоское пламя Тип газа: Для природного газа Вариант: Факел Длина стальной трубы от фланца печи: 50 мм. Расстояние от фланца печи до переднего края головки горелки: 35 мм. Идентификатор головки горелки: 38 Головка горелки: Термостойкая, с продуваемыми электродами. Стадия строительства: D Код товара: 84162080 Страна происхождения: DE 84199215, ZIO 200KBL-50/35-(38E)D Type: Burner for gas Burner size: 200 Use: Flat flame Gas type: For natural gas Variant: Torch Length of steel tube as of furnace flange: 50 mm Distance from furnace flange to front edge of burner head: 35 mm Burner head identifier: 38 Burner head: Heat-resistant, with purged electrodes Construction stage: D Commodity code: 84162080 Country of origin: DE
Технические характеристики

Производитель: Kromschröder
Артикул: 84199215