ZIO 200RBL-300/85-(25)DB

Описание товара
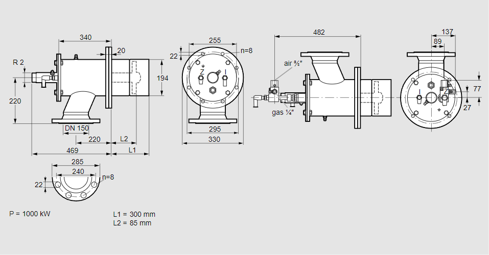
84099576, ЗИО 200РБЛ-300/85-(25)ДБ Тип: Горелка газовая Размер горелки: 200 Использование: Холодный воздух Тип газа: Для природного газа Вариант: Факел Длина стальной трубы от фланца печи: 300 мм. Расстояние от фланца печи до переднего края головки горелки: 85 мм. Идентификатор головки горелки: 25 Стадия строительства: D Специальное использование: с отверстиями для продувки воздуха. Код товара: 84162080 Страна происхождения: DE 84099576, ZIO 200RBL-300/85-(25)DB Type: Burner for gas Burner size: 200 Use: Cold air Gas type: For natural gas Variant: Torch Length of steel tube as of furnace flange: 300 mm Distance from furnace flange to front edge of burner head: 85 mm Burner head identifier: 25 Construction stage: D Special use: With purging air bore holes Commodity code: 84162080 Country of origin: DE
Технические характеристики

Производитель: Kromschröder
Артикул: 84099576