Горелка газовая BIO 100KB-50/35-(41)E

Стоимость товара
382761 руб.
Описание товара
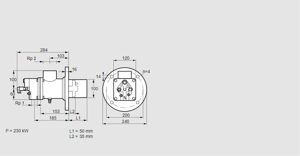
84012116, БИО 100КБ-50/35-(41)Э Тип: Горелка газовая Размер горелки: 100 Использование: Плоское пламя Тип газа: Для природного газа Длина стальной трубы от фланца печи: 50 мм. Расстояние от фланца печи до переднего края головки горелки: 35 мм. Идентификатор головки горелки: 41 Стадия строительства: Е Код товара: 84162080 Страна происхождения: DE 84012116, BIO 100KB-50/35-(41)E Type: Burner for gas Burner size: 100 Use: Flat flame Gas type: For natural gas Length of steel tube as of furnace flange: 50 mm Distance from furnace flange to front edge of burner head: 35 mm Burner head identifier: 41 Construction stage: E Commodity code: 84162080 Country of origin: DE
Технические характеристики

Производитель: Kromschröder
Артикул: 84012116