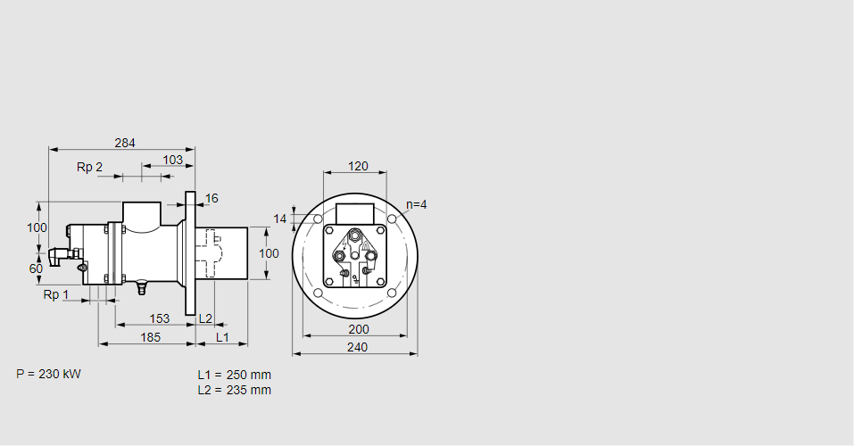
Горелка газовая BIO 100RM-250/235-(110)E

Стоимость товара
437144 руб.
Описание товара
84012338, БИО 100РМ-250/235-(110)Э Тип: Горелка газовая Размер горелки: 100 Использование: Холодный воздух Тип газа: Для пропана, пропана/бутана, бутана (со смесителем) Длина стальной трубы от фланца печи: 250 мм. Расстояние от фланца печи до переднего края головки горелки: 235 мм. Идентификатор головки горелки: 110 Стадия строительства: Е Код товара: 84162080 Страна происхождения: DE 84012338, BIO 100RM-250/235-(110)E Type: Burner for gas Burner size: 100 Use: Cold air Gas type: For propane, propane/butane, butane (with mixer) Length of steel tube as of furnace flange: 250 mm Distance from furnace flange to front edge of burner head: 235 mm Burner head identifier: 110 Construction stage: E Commodity code: 84162080 Country of origin: DE
Технические характеристики

Производитель: Kromschröder
Артикул: 84012338