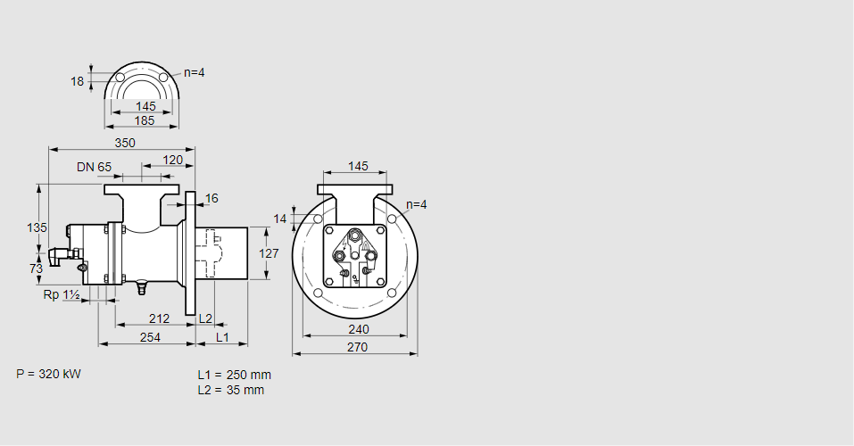
Горелка газовая BIO 125HB-250/35-(2)EB

Стоимость товара
693675 руб.
Описание товара
84099484, БИО 125ХБ-250/35-(2)ЭБ Тип: Горелка газовая Размер горелки: 125 Использование: Горячий воздух/высокая температура печи. Тип газа: Для природного газа Длина стальной трубы от фланца печи: 250 мм. Расстояние от фланца печи до переднего края головки горелки: 35 мм. Идентификатор головки горелки: 2 Стадия строительства: Е Специальное использование: с отверстиями для продувки воздуха. Код товара: 84162080000 Страна происхождения: DE 84099484, BIO 125HB-250/35-(2)EB Type: Burner for gas Burner size: 125 Use: Hot air/high furnace temperature Gas type: For natural gas Length of steel tube as of furnace flange: 250 mm Distance from furnace flange to front edge of burner head: 35 mm Burner head identifier: 2 Construction stage: E Special use: With purging air bore holes Commodity code: 84162080000 Country of origin: DE
Технические характеристики

Производитель: Kromschröder
Артикул: 84099484