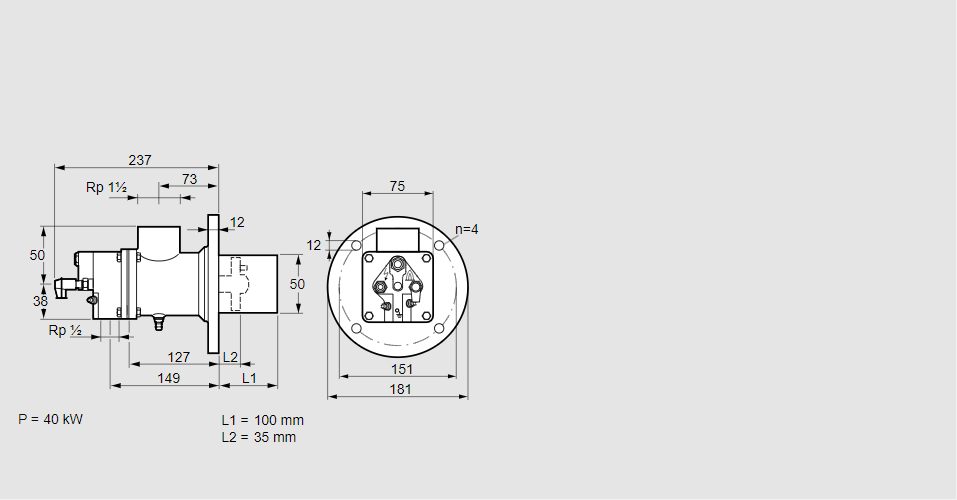
Горелка газовая BIO 50HB-100/35-(37)D

Стоимость товара
273157 руб.
Описание товара
84015510, БИО 50ХБ-100/35-(37)Д Тип: Горелка газовая Размер горелки: 50 Использование: Горячий воздух/высокая температура печи. Тип газа: Для природного газа Длина стальной трубы от фланца печи: 100 мм. Расстояние от фланца печи до переднего края головки горелки: 35 мм. Идентификатор головки горелки: 37 Стадия строительства: D Код товара: 84162080 Страна происхождения: DE 84015510, BIO 50HB-100/35-(37)D Type: Burner for gas Burner size: 50 Use: Hot air/high furnace temperature Gas type: For natural gas Length of steel tube as of furnace flange: 100 mm Distance from furnace flange to front edge of burner head: 35 mm Burner head identifier: 37 Construction stage: D Commodity code: 84162080 Country of origin: DE
Технические характеристики

Производитель: Kromschröder
Артикул: 84015510