Горелка газовая BIO 50HB-600/485-(37)DB

Стоимость товара
415780 руб.
Описание товара
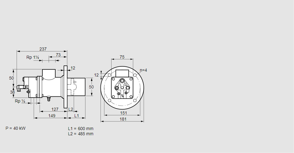
84199146, БИО 50ХБ-600/485-(37)ДБ Тип: Горелка газовая Размер горелки: 50 Использование: Горячий воздух/высокая температура печи. Тип газа: Для природного газа Длина стальной трубы от фланца печи: 600 мм. Расстояние от фланца печи до переднего края головки горелки: 485 мм. Идентификатор головки горелки: 37 Стадия строительства: D Специальное использование: с отверстиями для продувки воздуха. Код товара: 84162080 Страна происхождения: DE 84199146, BIO 50HB-600/485-(37)DB Type: Burner for gas Burner size: 50 Use: Hot air/high furnace temperature Gas type: For natural gas Length of steel tube as of furnace flange: 600 mm Distance from furnace flange to front edge of burner head: 485 mm Burner head identifier: 37 Construction stage: D Special use: With purging air bore holes Commodity code: 84162080 Country of origin: DE
Технические характеристики

Производитель: Kromschröder
Артикул: 84199146