Горелка газовая BIO 50HG-500/385-(38)DB

Стоимость товара
394797 руб.
Описание товара
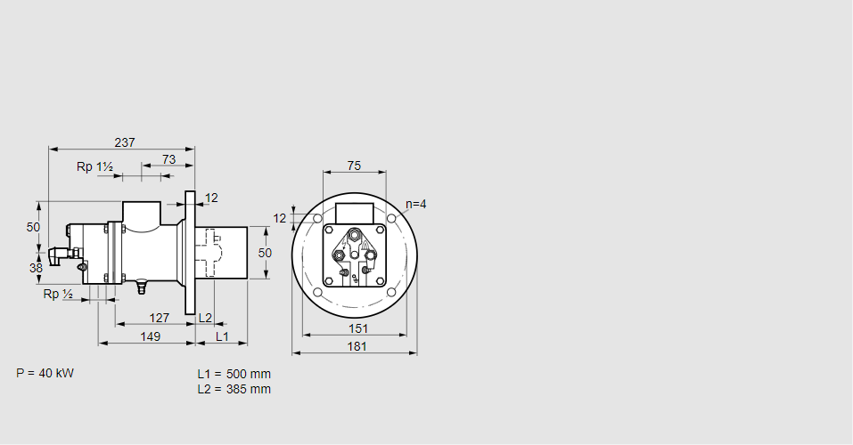
84199273, БИО 50ХГ-500/385-(38)ДБ Тип: Горелка газовая Размер горелки: 50 Использование: Горячий воздух/высокая температура печи. Тип газа: Для пропана, пропана/бутана, бутана Длина стальной трубы от фланца печи: 500 мм. Расстояние от фланца печи до переднего края головки горелки: 385 мм. Идентификатор головки горелки: 38 Стадия строительства: D Специальное использование: с отверстиями для продувки воздуха. Код товара: 84162080 Страна происхождения: DE 84199273, BIO 50HG-500/385-(38)DB Type: Burner for gas Burner size: 50 Use: Hot air/high furnace temperature Gas type: For propane, propane/butane, butane Length of steel tube as of furnace flange: 500 mm Distance from furnace flange to front edge of burner head: 385 mm Burner head identifier: 38 Construction stage: D Special use: With purging air bore holes Commodity code: 84162080 Country of origin: DE
Технические характеристики

Производитель: Kromschröder
Артикул: 84199273