Горелка газовая BIO 50RB-150/35-(39)DB

Стоимость товара
310967 руб.
Описание товара
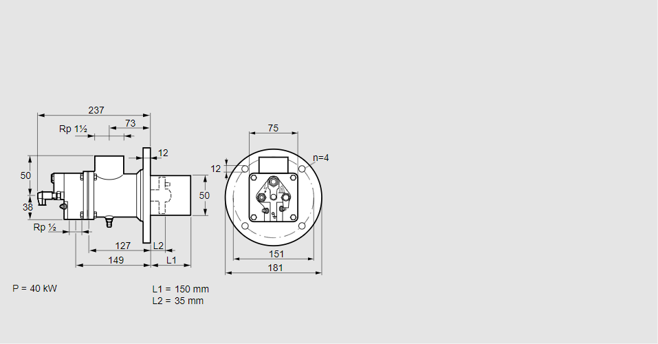
84199165, БИО 50РБ-150/35-(39)ДБ Тип: Горелка газовая Размер горелки: 50 Использование: Холодный воздух Тип газа: Для природного газа Длина стальной трубы от фланца печи: 150 мм. Расстояние от фланца печи до переднего края головки горелки: 35 мм. Идентификатор головки горелки: 39 Стадия строительства: D Специальное использование: с отверстиями для продувки воздуха. Код товара: 84162080000 Страна происхождения: DE 84199165, BIO 50RB-150/35-(39)DB Type: Burner for gas Burner size: 50 Use: Cold air Gas type: For natural gas Length of steel tube as of furnace flange: 150 mm Distance from furnace flange to front edge of burner head: 35 mm Burner head identifier: 39 Construction stage: D Special use: With purging air bore holes Commodity code: 84162080000 Country of origin: DE
Технические характеристики

Производитель: Kromschröder
Артикул: 84199165