Горелка газовая BIO 50RB-200/185-(39)D

Стоимость товара
314456 руб.
Описание товара
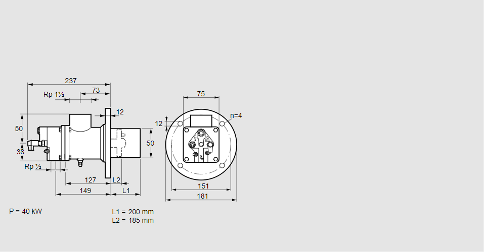
84199140, БИО 50РБ-200/185-(39)Д Тип: Горелка газовая Размер горелки: 50 Использование: Холодный воздух Тип газа: Для природного газа Длина стальной трубы от фланца печи: 200 мм. Расстояние от фланца печи до переднего края головки горелки: 185 мм. Идентификатор головки горелки: 39 Стадия строительства: D Код товара: 84162080000 Страна происхождения: DE 84199140, BIO 50RB-200/185-(39)D Type: Burner for gas Burner size: 50 Use: Cold air Gas type: For natural gas Length of steel tube as of furnace flange: 200 mm Distance from furnace flange to front edge of burner head: 185 mm Burner head identifier: 39 Construction stage: D Commodity code: 84162080000 Country of origin: DE
Технические характеристики

Производитель: Kromschröder
Артикул: 84199140