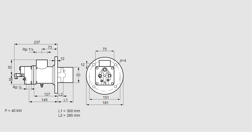
Горелка газовая BIO 50RB-300/285-(39)D

Стоимость товара
335448 руб.
Описание товара
84199137, БИО 50РБ-300/285-(39)Д Тип: Горелка газовая Размер горелки: 50 Использование: Холодный воздух Тип газа: Для природного газа Длина стальной трубы от фланца печи: 300 мм. Расстояние от фланца печи до переднего края головки горелки: 285 мм. Идентификатор головки горелки: 39 Стадия строительства: D Код товара: 84162080000 Страна происхождения: DE 84199137, BIO 50RB-300/285-(39)D Type: Burner for gas Burner size: 50 Use: Cold air Gas type: For natural gas Length of steel tube as of furnace flange: 300 mm Distance from furnace flange to front edge of burner head: 285 mm Burner head identifier: 39 Construction stage: D Commodity code: 84162080000 Country of origin: DE
Технические характеристики

Производитель: Kromschröder
Артикул: 84199137