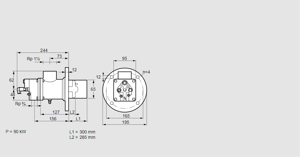
Горелка газовая BIO 65KM-300/285-(73)E

Стоимость товара
369116 руб.
Описание товара
84099941, БИО 65КМ-300/285-(73)Э Тип: Горелка газовая Размер горелки: 65 Использование: Плоское пламя Тип газа: Для пропана, пропана/бутана, бутана (со смесителем) Длина стальной трубы от фланца печи: 300 мм. Расстояние от фланца печи до переднего края головки горелки: 285 мм. Идентификатор головки горелки: 73 Стадия строительства: Е Код товара: 84162080 Страна происхождения: DE 84099941, BIO 65KM-300/285-(73)E Type: Burner for gas Burner size: 65 Use: Flat flame Gas type: For propane, propane/butane, butane (with mixer) Length of steel tube as of furnace flange: 300 mm Distance from furnace flange to front edge of burner head: 285 mm Burner head identifier: 73 Construction stage: E Commodity code: 84162080 Country of origin: DE
Технические характеристики

Производитель: Kromschröder
Артикул: 84099941