Горелка газовая BIO 65RB-300/185-(37)EB
                Стоимость товара
            
            
                388967 руб.
            
        Описание товара
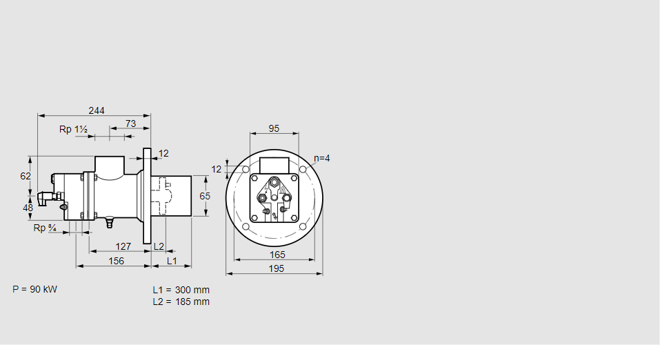
                        84099795, БИО 65РБ-300/185-(37)ЭБ
Тип: Горелка газовая
Размер горелки: 65
Использование: Холодный воздух
Тип газа: Для природного газа
Длина стальной трубы от фланца печи: 300 мм.
Расстояние от фланца печи до переднего края головки горелки: 185 мм.
Идентификатор головки горелки: 37
Стадия строительства: Е
Специальное использование: с отверстиями для продувки воздуха.
Код товара: 84162080
Страна происхождения: DE
84099795, BIO 65RB-300/185-(37)EB
Type: Burner for gas
Burner size: 65
Use: Cold air
Gas type: For natural gas
Length of steel tube as of furnace flange: 300 mm
Distance from furnace flange to front edge of burner head: 185 mm
Burner head identifier: 37
Construction stage: E
Special use: With purging air bore holes
Commodity code: 84162080
Country of origin: DE
                    
                Технические характеристики
Производитель: Kromschröder
Артикул: 84099795
 
        