Горелка газовая BIO 80HB-100/35-(16A)F
                Стоимость товара
            
            
                353216 руб.
            
        Описание товара
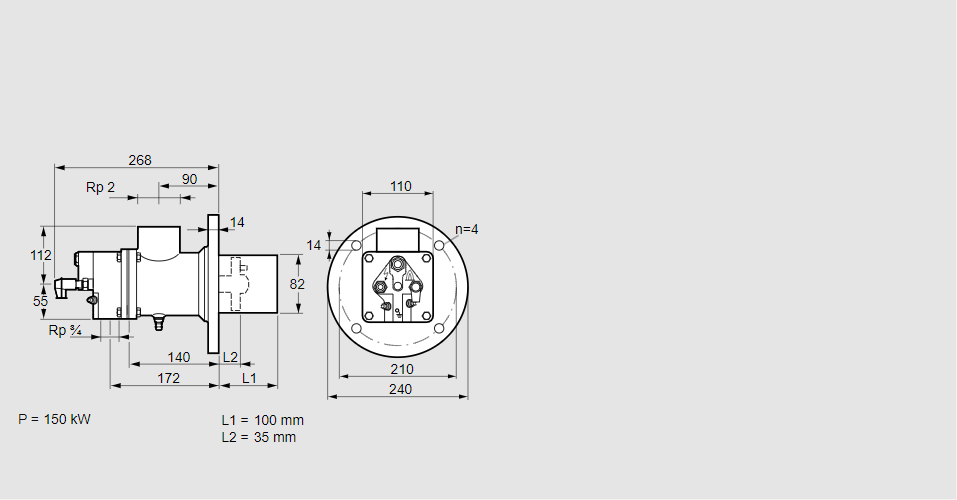
                        84099237, БИО 80ХБ-100/35-(16А)Ф
Тип: Горелка газовая
Размер горелки: 80
Использование: Горячий воздух/высокая температура печи.
Тип газа: Для природного газа
Длина стальной трубы от фланца печи: 100 мм.
Расстояние от фланца печи до переднего края головки горелки: 35 мм.
Идентификатор головки горелки: 16
Головка горелки: термостойкая
Стадия строительства: F
Код товара: 84162080
Страна происхождения: DE
84099237, BIO 80HB-100/35-(16A)F
Type: Burner for gas
Burner size: 80
Use: Hot air/high furnace temperature
Gas type: For natural gas
Length of steel tube as of furnace flange: 100 mm
Distance from furnace flange to front edge of burner head: 35 mm
Burner head identifier: 16
Burner head: Heat-resistant
Construction stage: F
Commodity code: 84162080
Country of origin: DE
                    
                Технические характеристики
Производитель: Kromschröder
Артикул: 84099237
 
        