Горелка газовая BIO 80KB-200/185-(8)E
Описание товара
                        84099006, БИО 80КБ-200/185-(8)Э
Тип: Горелка газовая
Размер горелки: 80
Использование: Плоское пламя
Тип газа: Для природного газа
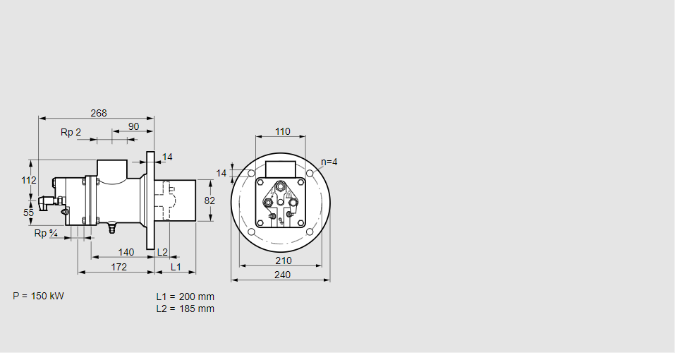
Длина стальной трубы от фланца печи: 200 мм.
Расстояние от фланца печи до переднего края головки горелки: 185 мм.
Идентификатор головки горелки: 8
Стадия строительства: Е
Код товара: 84162080
Страна происхождения: DE
84099006, BIO 80KB-200/185-(8)E
Type: Burner for gas
Burner size: 80
Use: Flat flame
Gas type: For natural gas
Length of steel tube as of furnace flange: 200 mm
Distance from furnace flange to front edge of burner head: 185 mm
Burner head identifier: 8
Construction stage: E
Commodity code: 84162080
Country of origin: DE
                    
                Технические характеристики
Производитель: Kromschröder
Артикул: 84099006
 
        