Горелка газовая BIO 80KB-250/235-(8E)E

Стоимость товара
464861 руб.
Описание товара
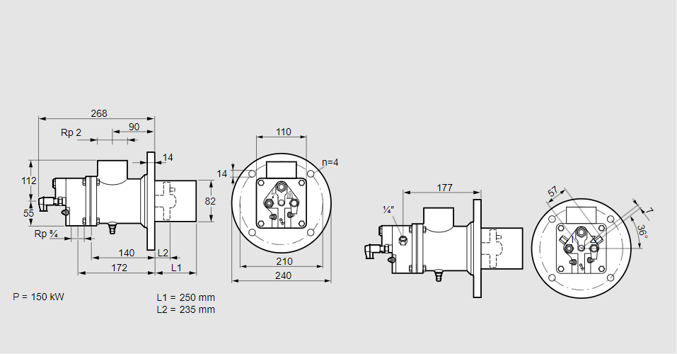
84199073, БИО 80КБ-250/235-(8Е)Е Тип: Горелка газовая Размер горелки: 80 Использование: Плоское пламя Тип газа: Для природного газа Длина стальной трубы от фланца печи: 250 мм. Расстояние от фланца печи до переднего края головки горелки: 235 мм. Идентификатор головки горелки: 8 Головка горелки: Термостойкая, с продуваемыми электродами. Стадия строительства: Е Код товара: 84162080 Страна происхождения: DE 84199073, BIO 80KB-250/235-(8E)E Type: Burner for gas Burner size: 80 Use: Flat flame Gas type: For natural gas Length of steel tube as of furnace flange: 250 mm Distance from furnace flange to front edge of burner head: 235 mm Burner head identifier: 8 Burner head: Heat-resistant, with purged electrodes Construction stage: E Commodity code: 84162080 Country of origin: DE
Технические характеристики

Производитель: Kromschröder
Артикул: 84199073