Горелка газовая BIOA 65RB-150/35-(37)DB

Стоимость товара
288191 руб.
Описание товара
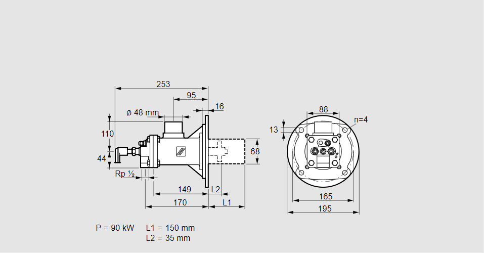
84099130, БИОА 65РБ-150/35-(37)ДБ Тип: Горелка газовая, с алюминиевым корпусом Размер горелки: 65 Использование: Холодный воздух Тип газа: Для природного газа Длина стальной трубы от фланца печи: 150 мм. Расстояние от фланца печи до переднего края головки горелки: 35 мм. Идентификатор головки горелки: 37 Стадия строительства: D Специальное использование: с отверстиями для продувки воздуха. Код товара: 84162080 Страна происхождения: DE 84099130, BIOA 65RB-150/35-(37)DB Type: Burner for gas, with aluminium housing Burner size: 65 Use: Cold air Gas type: For natural gas Length of steel tube as of furnace flange: 150 mm Distance from furnace flange to front edge of burner head: 35 mm Burner head identifier: 37 Construction stage: D Special use: With purging air bore holes Commodity code: 84162080 Country of origin: DE
Технические характеристики

Производитель: Kromschröder
Артикул: 84099130