Горелка газовая BIOA 65RB-300/185-(37)DB

Стоимость товара
335635 руб.
Описание товара
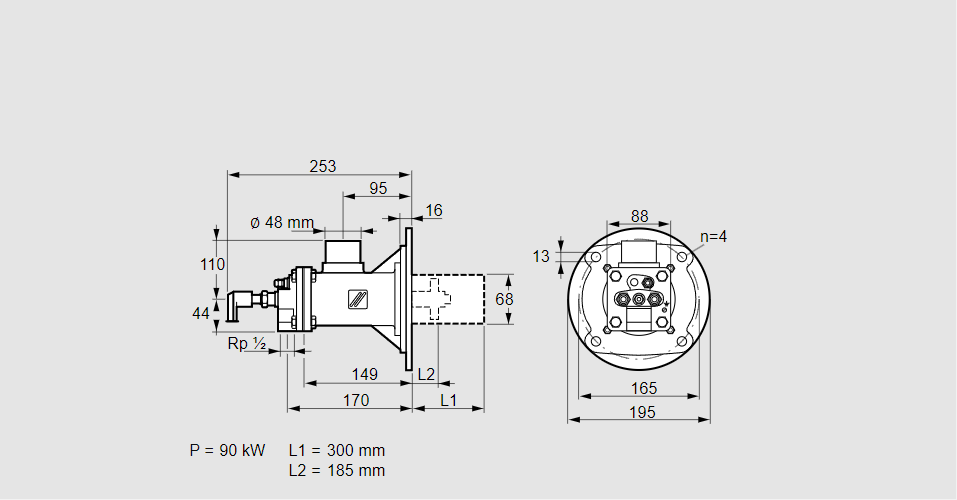
84099574, БИОА 65РБ-300/185-(37)ДБ Тип: Горелка газовая, с алюминиевым корпусом Размер горелки: 65 Использование: Холодный воздух Тип газа: Для природного газа Длина стальной трубы от фланца печи: 300 мм. Расстояние от фланца печи до переднего края головки горелки: 185 мм. Идентификатор головки горелки: 37 Стадия строительства: D Специальное использование: с отверстиями для продувки воздуха. Код товара: 84162080 Страна происхождения: DE 84099574, BIOA 65RB-300/185-(37)DB Type: Burner for gas, with aluminium housing Burner size: 65 Use: Cold air Gas type: For natural gas Length of steel tube as of furnace flange: 300 mm Distance from furnace flange to front edge of burner head: 185 mm Burner head identifier: 37 Construction stage: D Special use: With purging air bore holes Commodity code: 84162080 Country of origin: DE
Технические характеристики

Производитель: Kromschröder
Артикул: 84099574