Горелка газовая BIOW 100KB-100/85-(41E)G
                Стоимость товара
            
            
                677718 руб.
            
        Описание товара
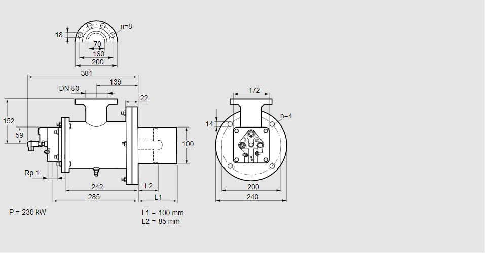
                        84199078, БИОВ 100КБ-100/85-(41Е)Г
Тип: Горелка газовая, с изоляцией из керамического волокна (RCF). Продукт содержит «вещества, вызывающие особую озабоченность» (SVHC) в концентрации > 0,1 % по массе в соответствии с Регламентом REACH.
Размер горелки: 100
Использование: Плоское пламя
Тип газа: Для природного газа
Длина стальной трубы от фланца печи: 100 мм.
Расстояние от фланца печи до переднего края головки горелки: 85 мм.
Идентификатор головки горелки: 41
Головка горелки: Термостойкая, с продуваемыми электродами.
Стадия строительства: G
Код товара: 84162080
Страна происхождения: DE
84199078, BIOW 100KB-100/85-(41E)G
Type: Burner for gas, with ceramic fibre insulation (RCF). The product contains “Substances of Very High Concern” (SVHCs) in a concentration of > 0.1% w/w pursuant to the REACH Regulation.
Burner size: 100
Use: Flat flame
Gas type: For natural gas
Length of steel tube as of furnace flange: 100 mm
Distance from furnace flange to front edge of burner head: 85 mm
Burner head identifier: 41
Burner head: Heat-resistant, with purged electrodes
Construction stage: G
Commodity code: 84162080
Country of origin: DE
                    
                Технические характеристики
Производитель: Kromschröder
Артикул: 84199078
 
        