Горелка газовая BIOW 65HB-200/135-(34A)G

Описание товара
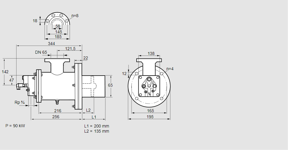
84199398, БИОВ 65ХБ-200/135-(34А)Г Тип: Горелка газовая, с изоляцией из керамического волокна (RCF). Продукт содержит «вещества, вызывающие особую озабоченность» (SVHC) в концентрации > 0,1 % по массе в соответствии с Регламентом REACH. Размер горелки: 65 Использование: Горячий воздух/высокая температура печи. Тип газа: Для природного газа Длина стальной трубы от фланца печи: 200 мм. Расстояние от фланца печи до переднего края головки горелки: 135 мм. Идентификатор головки горелки: 34 Головка горелки: термостойкая Стадия строительства: G Код товара: 84162080000 Страна происхождения: DE 84199398, BIOW 65HB-200/135-(34A)G Type: Burner for gas, with ceramic fibre insulation (RCF). The product contains “Substances of Very High Concern” (SVHCs) in a concentration of > 0.1% w/w pursuant to the REACH Regulation. Burner size: 65 Use: Hot air/high furnace temperature Gas type: For natural gas Length of steel tube as of furnace flange: 200 mm Distance from furnace flange to front edge of burner head: 135 mm Burner head identifier: 34 Burner head: Heat-resistant Construction stage: G Commodity code: 84162080000 Country of origin: DE
Технические характеристики

Производитель: Kromschröder
Артикул: 84199398