Горелка газовая ZIC 165HBL-0/35-(24)D

Стоимость товара
1048344 руб.
Описание товара
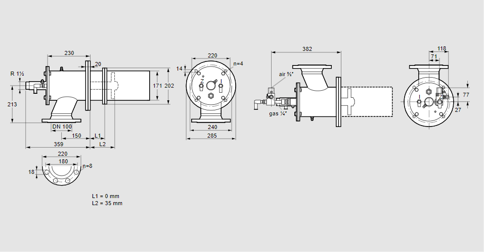
84246519, ЗИК 165ХБЛ-0/35-(24)Д Тип: Газовая горелка с подключением для керамической трубки Размер горелки: 165 Использование: Горячий воздух/высокая температура печи. Тип газа: Для природного газа Вариант: Факел Длина стальной трубы от фланца печи: 0 мм. Расстояние от фланца печи до переднего края головки горелки: 35 мм. Идентификатор головки горелки: 24 Стадия строительства: D Код товара: 84162080000 Страна происхождения: DE 84246519, ZIC 165HBL-0/35-(24)D Type: Burner for gas, with connection for ceramic tube Burner size: 165 Use: Hot air/high furnace temperature Gas type: For natural gas Variant: Torch Length of steel tube as of furnace flange: 0 mm Distance from furnace flange to front edge of burner head: 35 mm Burner head identifier: 24 Construction stage: D Commodity code: 84162080000 Country of origin: DE
Технические характеристики

Производитель: Kromschröder
Артикул: 84246519